Tel:800-881101
LANRIN  in the research and development of advanced sensing devices

Solution


As The World Leader In Force Measurement Solutions

Application scope


our application engineers are experts in Aircraft, Spacecraft, Military, Oil, Gas, Medical, Test and Measurement, Automation, Automobile, and more.

R & D innovation


we unquestionably produce the highest quality precision load cell and torque transducer products in the industry

Service Centre


Professional team for you to tailor-made services

Product display


LANRIN  in the research and development of advanced sensing devices, specifically Force, Torque, and Pressure Sensors, as well as Load Cells.  we are a worldwide supplier of sensors for such industries as Medical, Aerospace

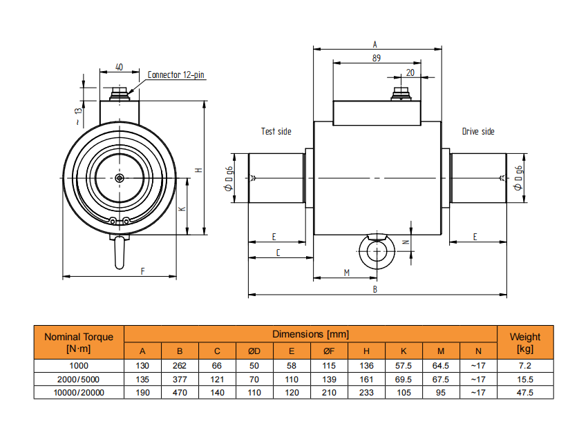
MODEL: LRM

MODEL: LRM

• Torque sensor for e.g. test bench applications

• Accuracy class 0.05%, optional

• Active output ±5V (optional ±10V)

• Integrated speed/angle measurement, optional

• Speed up to 15000 min-1

• Very short axial length

• High torsional stiffness

• Simple handling and assembly

• Special versions on request

0.00
0.00
  

• Torque sensor for e.g. test bench applications

• Accuracy class 0.05%, optional

• Active output ±5V (optional ±10V)

• Integrated speed/angle measurement, optional

• Speed up to 15000 min-1

• Very short axial length

• High torsional stiffness

• Simple handling and assembly

• Special versions on request